Ми пропонуємо свої послуги для клієнтів, зацікавлених у якісній продукції за мінімальною ціною та тривалою співпрацею.
0
Додому Акції Контакти Кабінет Меню
В наявності Артикул: 12387572885

Обмежувач перенапруги B + C T1 T2 2P AC

2052,00грн.

Вартість доставки до складу в Польщі уточнюйте у менеджера

Опис товару

мережевий фільтр 2-польовий, клас B + C, 30-60 kA, для монтажу на рейку TH35.

каталожний номер: OPX-2P-B + C

розрядник перенапруги, блискавковідвід, а також розрядник перенапруги-це пристрій, призначений для захисту електрообладнання від перехідних стрибків напруги, що обмежують тривалість і частоту подальшого струму.

перенапруги можуть виникати, наприклад, при включенні або відключенні ненавантаженої повітряної лінії або при ударі блискавки по повітряній лінії, вони можуть призвести до руйнування ізоляції та інших елементів мережі.

обмежувачі типу" 1+2 " (колишній клас b + c) забезпечують захист від атмосферних перенапруг, викликаних ударами блискавки на обʼєкти, розташовані поруч з повітряними лініями або безпосередньо в лінію nn, на великій відстані від місця установки обмежувачів. Крім того, цей тип обмежувачів забезпечує захист від перенапруг. Обмежувачі перенапруги типу" 1 + 2 " встановлюються перед лічильником, тим самим захищаючи вимірювальну систему.

розрядник перенапруги, розрядник розрядника, а також розрядник перенапруги-це пристрій, призначений для захисту електрообладнання від перехідних перенапруг, що обмежують тривалість і частоту наступаючого струму. Перенапруги можуть виникати, наприклад, при включенні або відключенні ненавантаженої повітряної лінії або при ударі блискавки по повітряній лінії, вони можуть привести до руйнування ізоляції та інших елементів мережі.

ТЕХНІЧНІ характеристики:
  • клас захисту: B+C (Я+II),
  • кількість полів: 2,
  • пробний струм In: 30ka,
  • Максимальний струм Imax: 60ka,
  • iimp: 6kA,
  • UC: 385v,
  • up: <1,5 кв,
  • робоча температура: -40°C - +80°C,
  • час відгуку: <25 NS,
  • Робоча вологість:30% - 90%,
  • захист:125A,
  • вантажопідйомність сигнальних контактів:36V AC , 1A.
  • сертифікат CE, EN-61643-11

умови монтажу та експлуатації:

  • відносна вологість повітря не перевищує 95%,
  • нахил вертикальної площини обмежувача не повинен перевищувати 5°.
  • не встановлюйте прилад в місці, схильному до ударів і вібрації.
  • Ми рекомендуємо періодично перевіряти обмежувачі-кожні два роки їх використання або після кожного прямого розряду блискавки.
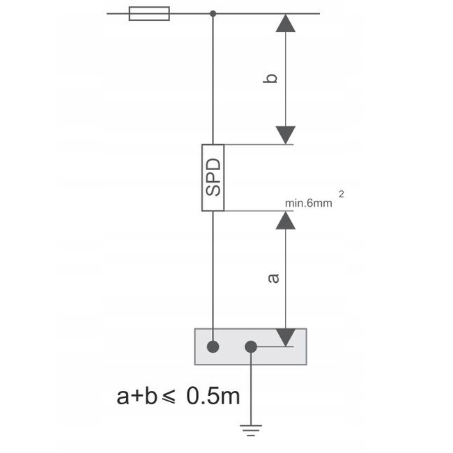
  • В обмежувачах перенапруги використовується зʼєднання мідних проводів 6,0 ~ 25 мм 2;
  • установка на шину TH35.
підключення та встановлення пристрою захисту від перенапруг OPX-2P-B + C

запобіжники від перенапруги оснащені візуальним індикатором дії:

  • зелений –захист,
  • червоний –без захисту .
розміри пристрою і заміна модуля:

на інших аукціонах також доступні:

  • захисники 1F 1P T1,T2,T1+T2,T1+T2+T3
  • захисники 1F+N 2P T1,T2,t1+T2,T1+T2+T3
  • захисники 3F+N 4Pt1,t2,t1+t2,t1+t2+t3
  • захисники 3F+N 4p T1+T2 12,5 ka, 25ka
  • захисники APV DC 2P 3P t2,t1+t2