Ми пропонуємо свої послуги для клієнтів, зацікавлених у якісній продукції за мінімальною ціною та тривалою співпрацею.
0
Додому Акції Контакти Кабінет Меню
В наявності Артикул: 14077552425

M8x25 гвинт з шестигранною головкою з нержавіючої сталі 10 шт A2

163,00грн.

Вартість доставки до складу в Польщі уточнюйте у менеджера

Опис товару

болт з шестигранною головкою з нержавіючої сталі A2

набір 10шт

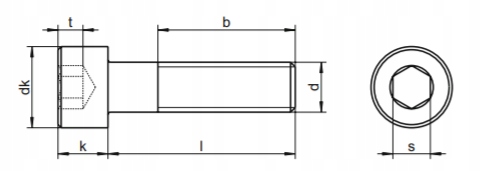
DIN 912 M8x25

  • зовнішній діаметр головки: 13
  • висота головки: 8
  • під шестигранний ключ (ампульний): 6
  • довжина : 25 мм

нержавіюча сталь , 304

високоякісна нержавіюча сталь Inox (хром-нікель)

AISI 304 1.4301

основні причини використання нержавіючої сталі:

  • корозійна стійкість
  • Можливість використання в агресивних середовищах
  • висока термостійкість
  • масло глянсове

довговічність в промислова атмосфера – 25 років

довговічність в морській атмосфері – 50 років